זווית הברגה פנימית 90°

זווית הברגה פנימית 90° 40 × 1.1/4″

הוספה למועדפים
מק"ט - 0715060400130A
מאפייני מוצר
  • שם
    זווית הברגה פנימית 90° 40 × 1.1/4″
  • מק"ט
    0715060400130A
  • קוטר
    40
  • משקל [גרם]
    245
  • תקנים
    ISO 14236, AS/NZS 4129, ISO 7/1, BS 21, DIN 2999, UNI 9561, NEN 3258, AS 1722, DIN 8076
  • טמפרטורות הפעלה
    Maximum temperature of use for fittings and valves is the same as that for polyethylene pipe and they are not intended for use in hot water applications. They will withstand sub-zero temperatures.
  • הערות
    Male threads are tapered, female threads are parallel.
  • קוטר הברגה חיצונית [מ"מ]
    1.1/4″
  • Rp_Cap
    1.1/4″ 
  • חומר גלם אטם
    NBR
  • חומר גלם אום
    Polypropylene, high-grade copolymer.
  • הערות
    We strongly recommend the use of PTFE tape in threaded connections.
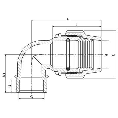
מידות (המידות במ"מ)
  • A
    120
  • A1_Cap
    61
  • d
    40
  • E
    82
  • l
    85
  • l2
    25
  • יחידות בקרטון
    90
אזור ראשי, for shortcut key, press ALT + z

בואו להתעדכן בחידושים, הטבות וטיפים מקצועיים

לינקדאין פייסבוק